환풍기
HOME > 제품정보 > 환풍기

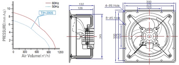
이노텍 [TIH-200S, TIH-250S] 고압 환풍기

페이지 정보

작성자 관리자 댓글 0건 조회 1,295회 작성일 22-01-07 15:05

본문

이노텍 [TIH-200S, TIH-250S] 고압 환풍기